|
带止动环槽的圆柱滚子轴承 |
SL0450...X,SL04...X
|
SL0450...PX SL0450...PX SL04...PX SL04...PX
|
|
SL0450...X,SL04...X |
||
|
|
|
轴径 |
轴承型号1) |
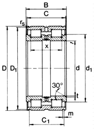
外型尺寸 |
|||||||||
|
d |
D |
B |
C |
C1 |
D1 |
m |
rS |
t |
x |
||
|
mm |
|
|
|
|
+0.2 |
|
|
min. |
|
|
|
|
20 |
SL04 5004X |
20 |
42 |
30 |
29 |
24.7 |
39.8 |
1.8 |
0.3 |
0.5 |
22.5 |
|
25 |
SL04 5005X |
25 |
47 |
30 |
29 |
24.7 |
44.8 |
1.8 |
0.3 |
0.5 |
22.5 |
|
30 |
SL04 5006X |
30 |
55 |
34 |
33 |
28.2 |
52.8 |
2.1 |
0.3 |
0.5 |
25.5 |
|
35 |
SL04 5007X |
35 |
62 |
36 |
35 |
30.2 |
59.8 |
2.1 |
0.3 |
0.5 |
27.5 |
|
40 |
SL04 5008X |
40 |
68 |
38 |
37 |
32.2 |
65.8 |
2.7 |
0.6 |
0.8 |
28.5 |
|
45 |
SL04 5009X |
45 |
75 |
40 |
39 |
34.2 |
72.8 |
2.7 |
0.6 |
0.8 |
30.5 |
|
50 |
SL04 5010X |
50 |
80 |
40 |
39 |
34.2 |
77.8 |
2.7 |
0.6 |
0.8 |
30.5 |
|
55 |
SL04 5011X |
55 |
90 |
46 |
45 |
40.2 |
87.4 |
3.2 |
0.6 |
1 |
36 |
|
60 |
SL04 5012X |
60 |
95 |
46 |
45 |
40.2 |
92.4 |
3.2 |
0.6 |
1 |
36 |
|
65 |
SL04 5013X |
65 |
100 |
46 |
45 |
40.2 |
97.4 |
3.2 |
0.6 |
1 |
36 |
|
70 |
SL04 5014X |
70 |
110 |
54 |
53 |
48.2 |
107.1 |
4.2 |
0.6 |
1 |
42 |
|
75 |
SL04 5015X |
75 |
115 |
54 |
53 |
48.2 |
112.1 |
4.2 |
0.6 |
1 |
42 |
|
80 |
SL04 5016X*) |
80 |
125 |
60 |
59 |
54.2 |
122.1 |
4.2 |
0.6 |
1.5 |
48 |
|
85 |
SL04 5017X |
85 |
130 |
60 |
59 |
54.2 |
127.1 |
4.2 |
0.6 |
1.5 |
48 |
|
90 |
SL04 5018X*) |
90 |
140 |
67 |
66 |
59.2 |
137 |
4.2 |
0.6 |
1.5 |
54 |
|
95 |
SL04 5019X |
95 |
145 |
67 |
66 |
59.2 |
142 |
4.2 |
0.6 |
1.5 |
54 |
|
100 |
SL04 5020X*) |
100 |
150 |
67 |
66 |
59.2 |
147 |
4.2 |
0.6 |
1.5 |
54 |
|
110 |
SL04 5022X*) |
110 |
170 |
80 |
79 |
70.2 |
167 |
4.2 |
0.6 |
1.8 |
64 |
|
120 |
SL04 5024X*) |
120 |
180 |
80 |
79 |
71.2 |
176 |
4.2 |
0.6 |
1.8 |
64 |
|
130 |
SL04 5026X*) |
130 |
200 |
95 |
94 |
83.2 |
196 |
4.2 |
0.6 |
1.8 |
77 |
|
SL04 130X |
130 |
190 |
80 |
79 |
71.2 |
186 |
4.2 |
0.6 |
1.8 |
64 |
|
|
140 |
SL04 5028X*) |
140 |
210 |
95 |
94 |
83.2 |
206 |
5.2 |
0.6 |
1.8 |
77 |
|
SL04 140X |
140 |
200 |
80 |
79 |
71.2 |
196 |
4.2 |
0.6 |
1.8 |
64 |
|
|
150 |
SL04 5030X*) |
150 |
225 |
100 |
99 |
87.2 |
221 |
5.2 |
0.6 |
2 |
80 |
|
SL04 150X |
150 |
210 |
80 |
79 |
71.2 |
206 |
5.2 |
0.6 |
1.8 |
64 |
|
|
160 |
SL04 5032X*) |
160 |
240 |
109 |
108 |
95.2 |
236 |
5.2 |
0.6 |
2 |
89 |
|
SL04 160X |
160 |
220 |
80 |
79 |
71.2 |
216 |
5.2 |
0.6 |
1.8 |
64 |
|
|
170 |
SL04 5034X*) |
170 |
260 |
122 |
121 |
107.2 |
254 |
5.2 |
0.6 |
2 |
100 |
|
SL04 170X |
170 |
230 |
80 |
79 |
71.2 |
226 |
5.2 |
0.6 |
1.8 |
64 |
|
|
180 |
SL04 5036X*) |
180 |
280 |
136 |
135 |
118.2 |
274 |
5.2 |
0.6 |
2 |
112 |
|
SL04 180X |
180 |
240 |
80 |
79 |
71.2 |
236 |
5.2 |
0.6 |
1.8 |
64 |
|
|
190 |
SL04 5038X*) |
190 |
290 |
136 |
135 |
118.2 |
284 |
5.2 |
0.6 |
2 |
112 |
|
SL04 190X |
190 |
260 |
80 |
79 |
73.2 |
254 |
5.2 |
0.6 |
1.8 |
64 |
|
|
安装尺寸 |
基本额定负荷 |
极限转速2) |
止动环 WRE3) |
固定环 DIN4714) |
||||
|
Ca15) |
C a26) |
d1 |
d2 |
动 C |
静 Co |
|||
|
-0.2 |
-0.2 |
|
|
KN |
KN |
min-1 |
||
|
21.5 |
21 |
31 |
34 |
41.5 |
50 |
8500 |
WRE 42 |
42X1.75 |
|
21.5 |
21 |
35.5 |
39 |
45.5 |
59 |
7500 |
WRE 47 |
47X1.75 |
|
25 |
24 |
41 |
44 |
52 |
69 |
6500 |
WRE 55 |
55X2 |
|
27 |
26 |
46.5 |
50 |
65 |
90 |
5500 |
WRE 62 |
62X2 |
|
28 |
27 |
51.5 |
54 |
82 |
113 |
5000 |
WRE 68 |
68X2.5 |
|
30 |
29 |
57.5 |
61 |
98 |
141 |
4500 |
WRE75 |
75X2.5 |
|
30 |
29 |
62 |
66 |
103 |
154 |
4200 |
WRE 80 |
80X2.5 |
|
35 |
34 |
69 |
73 |
118 |
180 |
3800 |
WRE 90 |
90X3 |
|
35 |
34 |
74 |
78 |
123 |
195 |
3500 |
WRE 95 |
95X3 |
|
35 |
34 |
79 |
84 |
128 |
209 |
3300 |
WRE 100 |
100X3 |
|
43 |
40 |
85 |
91 |
172 |
270 |
3000 |
WRE 110 |
110X4 |
|
43 |
40 |
90 |
97 |
198 |
305 |
2800 |
WRE 115 |
115X4 |
|
49 |
46 |
97.5 |
105 |
206 |
335 |
2600 |
WRE 125 |
125X4 |
|
49 |
46 |
104.5 |
112 |
215 |
360 |
2500 |
WRE 130 |
130X4 |
|
54 |
51 |
109.5 |
118 |
310 |
520 |
2300 |
WRE 140 |
140X4 |
|
54 |
51 |
113.5 |
123 |
315 |
540 |
2200 |
WRE 145 |
145X4 |
|
54 |
51 |
118 |
128 |
330 |
550 |
2200 |
WRE 150 |
150X4 |
|
65 |
62 |
132 |
143 |
395 |
680 |
1900 |
WRE 170 |
170X4 |
|
65 |
63 |
141.5 |
153 |
410 |
740 |
1800 |
WRE 180 |
180X4 |
|
77 |
75 |
157 |
171 |
550 |
980 |
1600 |
WRE 200 |
200X4 |
|
65 |
63 |
151 |
160 |
425 |
790 |
1700 |
WRE 190 |
190X4 |
|
77 |
73 |
165.5 |
181 |
630 |
1120 |
1500 |
WRE 210 |
210X5 |
|
65 |
63 |
160.5 |
170 |
445 |
840 |
1600 |
WRE 200 |
200X4 |
|
81 |
77 |
176 |
192 |
710 |
1270 |
1400 |
WRE 225 |
225X5 |
|
65 |
61 |
175 |
186 |
465 |
920 |
1500 |
WRE 210 |
210X5 |
|
89 |
85 |
189.5 |
206 |
740 |
1370 |
1300 |
WRE 240 |
240X5 |
|
65 |
61 |
184.5 |
196 |
480 |
970 |
1400 |
WRE 260 |
220X5 |
|
99 |
97 |
201 |
220 |
960 |
1760 |
1300 |
WRE 260 |
260X5 |
|
65 |
61 |
194 |
206 |
490 |
1030 |
1300 |
WRE 230 |
230X5 |
|
110 |
108 |
218 |
239 |
1140 |
2140 |
1200 |
WRE 280 |
280X5 |
|
65 |
61 |
203.5 |
216 |
500 |
1080 |
1300 |
WRE 240 |
240X5 |
|
110 |
108 |
226.5 |
248 |
1170 |
2230 |
1100 |
WRE 290 |
290X5 |
|
65 |
63 |
218 |
231 |
520 |
1160 |
1200 |
WRE 260 |
260X5 |
*)优先使用
1)对单面密封(接触密封)轴承:后缀P斃鏢L04 5026PX 对双面密封(接触密封)轴承:后缀PP斃鏢L04
5026PPX 2)
2)对润滑脂,允许值为表列数值的50%,但对带接触密封轴承(有后缀P敽秃笞篜P)允许值仅为40%。
3)须分开订货,前面所推荐的WR系列止动环不能使用。
4)可由专业供应商获得。
5)适于WRE系列止动环。
6)符合DIN471的固定环。