|
滚针-推力球轴承 |
NKX NKX...Z |
|
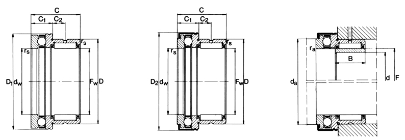
无或带固定罩壳 NKX,NKX...Z |
|
|
|
|
轴径 |
轴 承 型 号 |
外 型 尺 寸 |
||||||||||
|
|
带罩壳轴承 |
FW |
D |
D1 |
D2 |
C |
C1 -0.25 |
C2 -0.2 |
dw E8 |
rs min. |
||
|
mm |
||||||||||||
|
10 |
NKX 10 TN*) |
NKX 10 Z TN*) |
10 |
19 |
24 |
25.2 |
23 |
9 |
6.5 |
10 |
0.3 |
|
|
12 |
NKX 12 |
NKX 12 Z |
12 |
21 |
26 |
27.2 |
23 |
9 |
6.5 |
12 |
0.3 |
|
|
15 |
NKX 15 |
NKX 15 Z |
15 |
24 |
28 |
29.2 |
23 |
9 |
6.5 |
15 |
0.3 |
|
|
17 |
NKX 17 |
NKX 17 Z |
17 |
26 |
30 |
31.2 |
25 |
9 |
8 |
17 |
0.3 |
|
|
20 |
NKX 20 |
NKX 20 Z |
20 |
30 |
35 |
36.2 |
30 |
10 |
10.5 |
20 |
0.3 |
|
|
25 |
NKX 25 |
NKX 25 Z |
25 |
37 |
42 |
43.2 |
30 |
11 |
9.5 |
25 |
0.6 |
|
|
30 |
NKX 30 |
NKX 30 Z |
30 |
42 |
47 |
48.2 |
30 |
11 |
9.5 |
30 |
0.6 |
|
|
35 |
NKX 35 |
NKX 35 Z |
35 |
47 |
52 |
53.2 |
30 |
12 |
9 |
35 |
0.6 |
|
|
40 |
NKX 40 |
NKX 40 Z |
40 |
52 |
60 |
61.2 |
32 |
13 |
10 |
40 |
0.6 |
|
|
45 |
NKX 45 |
NKX 45 Z |
45 |
58 |
65 |
66.5 |
32 |
14 |
9 |
45 |
0.6 |
|
|
50 |
NKX 50 |
NKX 50 Z |
50 |
62 |
70 |
71.5 |
35 |
14 |
10 |
50 |
0.6 |
|
|
60 |
NKX 60 |
NKX 60 Z |
60 |
72 |
85 |
86.5 |
40 |
17 |
12 |
60 |
1 |
|
|
70 |
NKX 70 |
NKX 70 Z |
70 |
85 |
95 |
96.5 |
40 |
18 |
11 |
70 |
1 |
|
下表接上表
|
基本额定负荷 |
极限转速2) n1 oil ≈ min-1 |
安装尺寸 |
适合的内圈3) d F B |
||||
|
径向 |
轴向1) |
da |
ra max. |
||||
|
动 C N |
静 C0 N |
动 C N |
静 C0 N |
||||
|
6200 |
7800 |
10000 |
12100 |
12000 |
19.7 |
0.3 |
IR 7X10X16 |
|
9000 |
11000 |
10300 |
13300 |
11000 |
21.7 |
0.3 |
IR 9X12X16 |
|
10700 |
12700 |
10500 |
14500 |
9500 |
23.7 |
0.3 |
IR
12X15X16 |
|
11900 |
15000 |
10800 |
15700 |
8500 |
25.7 |
0.3 |
IR
14X17X17 |
|
16400 |
23800 |
14300 |
21400 |
7500 |
30.7 |
0.3 |
IR
17X20X20 |
|
18800 |
30500 |
19600 |
32000 |
6000 |
37.7 |
0.6 |
IR
20X25X20 |
|
22600 |
36000 |
20400 |
36500 |
5000 |
42.7 |
0.6 |
IR
25X30X20 |
|
24300 |
41500 |
21200 |
41000 |
4600 |
47.7 |
0.6 |
IR
30X35X20 |
|
26000 |
47000 |
27000 |
54000 |
4000 |
55.7 |
0.6 |
IR
35X40X20 |
|
27500 |
53000 |
28000 |
60000 |
3600 |
60.5 |
0.6 |
IR
40X45X20 |
|
38000 |
74000 |
29000 |
65000 |
3300 |
65.5 |
0.6 |
IR
45X50X25 |
|
42000 |
90000 |
41500 |
97000 |
2800 |
80.5 |
1 |
IR
50X60X25 |
|
44500 |
92000 |
43000 |
110000 |
2400 |
90.5 |
1 |
IR
60X70X25 |
*)TN=塑料保持架,允许工作温度:
润滑,允许值勤为表中数值的60%。3)内圈和止动环必须分别地订购。