支承滚轮

RTL-支承滚轮具有厚壁外圈,利用这种外圈,滚轮可以直接在滚道上滚动,

并可以承受大的负荷。RTL-支承滚轮有压力滚轮、偏心滚轮、摇杆滚轮。滚

轮的外径为圆柱形或球形。利用球形外圈可以使安装时倾斜位置得到补偿.

 

   

 

RSTO        

外圈无挡边,无内圈支承滚轮  

STO         

外圈无挡边,有内圈支承滚轮  

RNA22...2RS 

双面密封,无内圈支承滚轮    

NA22...2RS  

双面密封,有内圈支承滚轮    

NATR

NATR...PP   

平挡圈轴向引导支承滚轮    

NATV

NATV...PP   

平挡圈轴向引导支承滚轮,满针型  

NUTR        

滚动体引导支承滚轮,满滚子型 

CRY        

英制平挡圈轴向引导支承滚轮   

 

RSTOSTO型支承滚轮

RTL-系列支承滚轮RSTO型不带内圈,支承滚轮可直接在作为滚道的经淬火的轴上运转。STO型带内圈,内圈

外圈及与其配合的滚针保持架组件可分别安装。由于RSTOSTO型支承滚轮不带挡边及端面挡圈,安装时必须有轴向

引导, 其引导表面至少是经过精密车加工

  RNA222RSNA222RS型支承滚轮

这种滚轮的直径尺寸与STO系列滚轮相同。只是它们稍宽一些,双面密封结构使其不需要维护,使用温度范围为

-20-120。在安装不带内圈的RNA222RS系列支承滚轮时应注意不要损伤密封圈。外圈需要端面引导

  NATRNATRPP型支承滚轮

NATR系列支承滚轮包括外圈、内圈、滚针保持架组件及压入并固定在内圈两侧的挡圈。NATRPP系列还附加密

封环。这种支承滚轮具有大的润滑脂贮存空间,可以长期使用而不必加脂。

NATVNATVPP型支承滚轮

NATV系列支承滚轮与NATR系列支承滚轮基本相同,唯一区别是NATV系列为满装滚针型。因此它可以在低速下

受较重载荷,但必须注意经常润滑。NATVPP系列为带密封环的结构

  NUTR型支承滚轮

NUTR系列支承滚轮为双列满装滚子轴承,外圈由挡边引导。轴承的全部零件由压入外圈内的密封罩形成一种完整

的单元,密封罩与止推挡圈一起组成了高效的间隙密封。这种支承滚轮可以承受非常重的载荷,由于滚动体的轴向引

导,即使在高速情况下也可承受冲击性的轴向载荷。

     

RTL-支承滚轮的尺寸、形状及旋转精度通常情况下为P0级。带园弧形外径的支承滚轮外径公差为0/-0.05mm

NATRNATVNUTR轴承宽度公差为h12

带圆柱形外径的支承滚轮可调心性很小。在低负荷时,它约为3-4,在中等到高负荷时为5-7。带圆弧形外

径的支承滚轮可调心性为15-20。当有较大的角度误差时,按负荷的大小而存在显著的边缘应力,它将降低轴承的

寿命。

  使

当将支承滚轮如同滚动轴承一样采用常用的配合装入一个轴承壳体时,则负荷选择为“基本额定负荷”一栏。当

外圈直接支承在滚道上,支承滚轮的径向负荷将导致外圈的弹性变形。这样,滚动体负荷分布将产生变化,峰值负荷

增大,导致动静负荷容量的降低。此时应选择“作为支承滚轮”负荷一栏。

通常情况下支承滚轮的内圈为局部负荷,因此不需要与轴紧配合,推荐轴的公差为

支承滚轮        

轴公差

无内圈          

K5                

带内圈          

g6                

 

在装配支承滚轮时,油孔必须位于非负荷区

 

曲线滚轮

 

RTL-曲线滚轮由一根作为滚子组内滚道的螺栓及一个厚壁外圈组成。螺栓轴的台肩及压在螺栓上的端面挡圈组成了外圈沿两个侧面方向的引导面。当曲线滚轮在平滚道或凸轮盘上运动时,由于外圈的弹性变形,滚轮的内应力加大。因此应用于此种工作情况下的额定负荷选择作为曲线滚轮一栏。

 

 

KR

由挡边及挡圈轴向引导的曲线滚轮

KR...PP

带密封圈的曲线滚轮

KRE

带偏心套的曲线滚轮

KRE...PP    

带偏心套及密封的曲线滚轮       

KRV

由挡边及挡圈轴向引导的曲线滚轮,满针型

KRV...PP

带密封圈的曲线滚轮

KRVE

带偏心套的曲线滚轮

KRVE...PP   

带偏心套及密封的曲线滚轮       

NUKR

滚动体轴向引导的曲线滚轮,满滚子型

NUKRE      

带偏心套的曲线滚轮             

CR      

英制系列曲线滚轮               

 

KRKRPP型曲线滚轮

KRKRPP曲线滚轮内,滚针是有保持架引导,而外圈则经由螺栓上的挡圈轴向引导。适用于重载荷和中转

速。由于轴承内部有较多的贮脂空间,所以润滑周期得到延长。KRPP曲线滚轮为带接触式密封结构。使用温度为

-30-100

KRVKRVPP型曲线滚轮

KRVKRVPP曲线滚轮和KRKRPP曲线滚轮结构相同,仅是它们是满装滚针轴承。它们可以承受较重的载荷

及较低的转速。且必须经常加润滑脂。

NUKR曲线滚轮

  这种系列曲线滚轮是双列满装滚子结构。圆柱滚子轴承一样具有外圈由滚动体作轴向引导压入外圈的罩壳

挡边台阶组成高效果的间隙密封。

这种曲线滚轮能承受特别高的负荷,还有由于受滚子的轴向引导也可承受冲击性的轴向负荷

KREKREPP KREVKREVPPNUKRE型曲线滚轮

  全部型号的曲线滚轮都可带偏心套供应。滚轮可以通过螺栓端面的槽进行调节。在螺栓端面标记“RTL”处表示

偏心套的最高点。加润滑脂可以通过螺栓两端进行。

     

标准轴承外圈的尺寸公差和旋转精度为P0级,但不适合外表面为圆弧的,其公差为0/-0.05mm。螺栓直径公差为h7

 

    

 

密封塞、润滑嘴

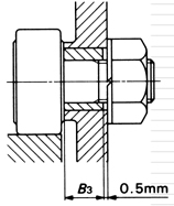
不用的油孔必须在安装前用密封塞塞紧。密封塞应当装配心轴压入油孔,其尺寸如下表。必要时“RTL ”可

提供。“RTL”也可提供适用于曲线滚轮的压力油嘴,其尺寸如下表。

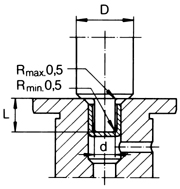
密封塞

公称直径

安装心轴尺寸

 

适用尺寸

D

d-1

L-01

VD1

4

10

2.7

5.2

16-26

VD2

6

12

4.7

7.3

30-40

VD3

8

15

6.7

1.0

47-90

  

  

 

适用尺寸

D

d

L

h

NPA1

6

4

6

1.5

16-26

NPA2

8

6

9

2

30-40

NPA3

10

8

12

3

47-90

 

 

 

 

 

 

 

 

 

 

 

 

 

 

 

 

 

 

 

 

 

    

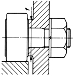
当安装RTL曲线滚轮时必须注意螺栓与孔的配合,尽可能无间隙,对于配合孔推荐公差带为H7。轴上的配合孔必

须有小的倒角以获得最佳支承面,紧固螺母必须有防松措施。安装时避免用锤击打螺栓的挡边。螺栓端面上的槽在上

紧螺母时可配用合适的工具来固定滚轮或可用来调节偏心套的位置。螺栓滚道上的油孔应尽可能位于非负荷区。它的

位置用“RTL”标记在螺栓挡边端面上。

 

 

 

 

 

 

 

 

 

 

 

 

 

 

 

 

 

 

 

 

 


 

 

[返回首页]