|
内圈 英制系列 |
LRB
LRBZ |
|
轴心直径9.252~31 |
|
|
|
|
轴径 |
轴承型号 |
外 型 尺 寸 mm |
标准装配尺寸 mm |
|||||
|
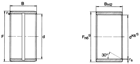
mm |
d |
F |
B |
Ds |
R1) 最大 |
|||
|
最小 |
最大 |
|||||||
|
9.525 |
LRB 61012 |
-- |
9.525 |
15.875 |
19.300 |
14 |
14.5 |
0.6 |
|
-- |
LRBZ 61012 |
9.525 |
15.875 |
19.300 |
14 |
14.5 |
0.6 |
|
|
-- |
LRBZ 61016 |
9.525 |
15.875 |
25.650 |
14 |
14.5 |
0.6 |
|
|
12.700 |
LRB 81212 |
-- |
12.700 |
19.050 |
19.300 |
17.5 |
18 |
1 |
|
LRB 81216 |
-- |
12.700 |
19.050 |
25.650 |
17.5 |
18 |
1 |
|
|
-- |
LRBZ 81212 |
12.700 |
19.050 |
19.300 |
17.5 |
18 |
0.6 |
|
|
-- |
LRBZ 81216 |
12.700 |
19.050 |
25.650 |
17.5 |
18 |
0.6 |
|
|
15.875 |
LRB 101412 |
-- |
15.875 |
22.225 |
19.300 |
21 |
21.2 |
1 |
|
LRB 101416 |
-- |
15.875 |
22.225 |
25.650 |
21 |
21.2 |
1 |
|
|
-- |
LRBZ 101412 |
15.875 |
22.225 |
19.300 |
21 |
21.2 |
0.6 |
|
|
-- |
LRBZ 101416 |
15.875 |
22.225 |
25.650 |
21 |
21.2 |
0.6 |
|
|
19.050 |
LRB 121612 |
-- |
19.050 |
25.400 |
19.300 |
24 |
24.4 |
1 |
|
LRB 121616 |
-- |
19.050 |
25.400 |
25.650 |
24 |
24.4 |
1 |
|
|
-- |
LRBZ 121612 |
19.050 |
25.400 |
19.300 |
24 |
24.4 |
0.6 |
|
|
-- |
LRBZ 121616 |
19.050 |
25.400 |
25.650 |
24 |
24.4 |
0.6 |
|
|
22.225 |
LRB 141816 |
-- |
22.225 |
28.575 |
25.650 |
27 |
27.5 |
1 |
|
LRB 141820 |
-- |
22.225 |
28.575 |
32.000 |
27 |
27.5 |
1 |
|
|
-- |
LRBZ 141816 |
22.225 |
28.575 |
25.650 |
27 |
27.5 |
0.6 |
|
|
-- |
LRBZ 141820 |
22.225 |
28.575 |
32.000 |
27 |
27.5 |
0.6 |
|
|
25.400 |
LRB 162016 |
-- |
25.400 |
31.750 |
25.650 |
30.5 |
30.7 |
1 |
|
LRB 162020 |
-- |
25.400 |
31.750 |
32.000 |
30.5 |
30.7 |
1 |
|
|
-- |
LRBZ 162016 |
25.400 |
31.750 |
25.650 |
30.5 |
30.7 |
0.6 |
|
|
-- |
LRBZ 162020 |
25.400 |
31.750 |
32.000 |
30.5 |
30.7 |
0.6 |
|
|
28.575 |
LRB 182216 |
-- |
28.575 |
34.925 |
25.650 |
33.5 |
33.9 |
1 |
|
LRB 182220 |
-- |
28.575 |
34.925 |
32.000 |
33.5 |
33.9 |
1 |
|
|
-- |
LRBZ 182216 |
28.575 |
34.925 |
25.650 |
33.5 |
33.9 |
0.6 |
|
|
-- |
LRBZ 182220 |
28.575 |
34.925 |
32.000 |
33.5 |
33.9 |
0.6 |
|
|
31.570 |
LRB 202416 |
-- |
31.750 |
38.100 |
25.650 |
37 |
37.1 |
1.5 |
|
LRB 202420 |
-- |
31.750 |
38.100 |
32.000 |
37 |
37.1 |
1.5 |
|
|
-- |
LRBZ 202416 |
31.750 |
38.100 |
25.650 |
37 |
37.1 |
0.6 |
|
|
-- |
LRBZ 202420 |
31.750 |
38.100 |
32.000 |
37 |
37.1 |
0.6 |
|
|
34.925 |
LRB 222616 |
-- |
34.925 |
41.275 |
25.650 |
40.2 |
40.2 |
1.5 |
|
LRB 222620 |
-- |
34.925 |
41.275 |
32.000 |
40.2 |
40.2 |
1.5 |
|
|
-- |
LRBZ 222616 |
34.925 |
41.275 |
25.650 |
40.2 |
40.2 |
0.6 |
|
|
-- |
LRBZ 222620 |
34.925 |
41.275 |
32.000 |
40.2 |
40.2 |
0.6 |
|
|
38.100 |
LRB 242816 |
-- |
38.100 |
44.450 |
25.650 |
43.3 |
43.4 |
1.5 |
|
LRB 242820 |
-- |
38.100 |
44.450 |
32.000 |
43.3 |
43.4 |
1.5 |
|
|
LRB 243020 |
-- |
38.100 |
47.625 |
25.650 |
43.3 |
45 |
1.5 |
|
|
-- |
LRBZ 242820 |
38.100 |
44.450 |
32.000 |
43.3 |
43.4 |
0.6 |
|
|
-- |
LRBZ 243020 |
38.100 |
47.625 |
32.000 |
43.3 |
45 |
1 |
|
|
41.275 |
LRB 263216 |
-- |
41.275 |
50.800 |
25.650 |
48 |
49 |
1.5 |
|
LRB 263220 |
-- |
41.275 |
50.800 |
32.000 |
48 |
49 |
1.5 |
|
|
-- |
LRBZ 263216 |
41.275 |
50.800 |
25.650 |
48 |
49 |
1 |
|
|
-- |
LRBZ 263220 |
41.275 |
50.800 |
32.000 |
48 |
49 |
1 |
|
|
44.450 |
LRB 283624 |
-- |
44.450 |
57.150 |
38.350 |
52.5 |
55 |
1.5 |
|
LRB 283628 |
-- |
44.450 |
57.150 |
44.700 |
52.5 |
55 |
1.5 |
|
|
-- |
LRBZ 283624 |
44.450 |
57.150 |
38.350 |
52.5 |
55 |
1.5 |
|
|
-- |
LRBZ 283628 |
44.450 |
57.150 |
44.700 |
52.5 |
55 |
1.5 |
|
|
50.800 |
LRB 324024 |
-- |
50.800 |
63.500 |
38.350 |
58 |
61 |
2 |
|
LRB 324028 |
-- |
50.800 |
63.500 |
44.700 |
58 |
61 |
2 |
|
|
-- |
LRBZ 324024 |
50.800 |
63.500 |
38.350 |
58 |
61 |
1.5 |
|
|
-- |
LRBZ 324028 |
50.800 |
63.500 |
44.700 |
58 |
61 |
1.5 |
|
|
57.150 |
LRB 364424 |
-- |
57.150 |
69.850 |
38.350 |
65 |
67 |
2 |
|
LRB 364428 |
-- |
57.150 |
69.850 |
44.700 |
65 |
67 |
2 |
|
|
-- |
LRBZ 364424 |
57.150 |
69.850 |
38.350 |
65 |
67 |
1.5 |
|
|
-- |
LRBZ 364428 |
57.150 |
69.850 |
44.700 |
65 |
67 |
1.5 |
|
|
63.500 |
LRB 404824 |
-- |
63.500 |
76.200 |
38.350 |
71 |
73 |
2 |
|
LRB 404828 |
-- |
63.500 |
76.200 |
44.700 |
71 |
73 |
2 |
|
|
-- |
LRBZ 404824 |
63.500 |
76.200 |
38.350 |
71 |
73 |
1.5 |
|
|
-- |
LRBZ 404828 |
63.500 |
76.200 |
44.700 |
71 |
73 |
1.5 |
|
|
69.850 |
LRB 445228 |
-- |
69.850 |
82.550 |
44.700 |
77 |
79 |
2 |
|
LRB 445232 |
-- |
69.850 |
82.550 |
51.050 |
77 |
79 |
2 |
|
|
-- |
LRBZ 445228 |
69.850 |
82.550 |
44.700 |
77 |
79 |
1.5 |
|
|
-- |
LRBZ 445232 |
69.850 |
82.550 |
51.050 |
77 |
79 |
1.5 |
|
|
76.200 |
LRB 485632 |
-- |
76.200 |
88.900 |
51.050 |
83.5 |
86 |
2 |
|
-- |
LRBZ 485632 |
76.200 |
88.900 |
51.050 |
83.5 |
86 |
1.5 |
|
|
82.550 |
LRB 526032 |
-- |
82.550 |
95.250 |
51.050 |
91 |
93 |
2.5 |
|
-- |
LRBZ 526032 |
82.550 |
95.250 |
51.050 |
91 |
93 |
1.5 |
|
|
88.900 |
LRB 566432 |
-- |
88.900 |
101.600 |
51.050 |
97 |
99 |
2.5 |
|
-- |
LRBZ 566432 |
88.900 |
101.600 |
51.050 |
97 |
99 |
1.5 |
|
|
95.250 |
-- |
LRBZ 606832 |
95.250 |
107.950 |
51.050 |
103 |
105 |
1.5 |
1)轴心端面倒角半径。